Contact

DOCO International B.V.

+31 (0)46 420 06 66 info@doco-international.com

235018

235018

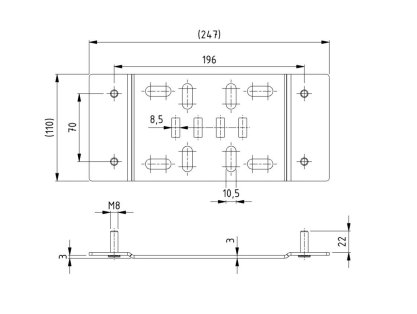
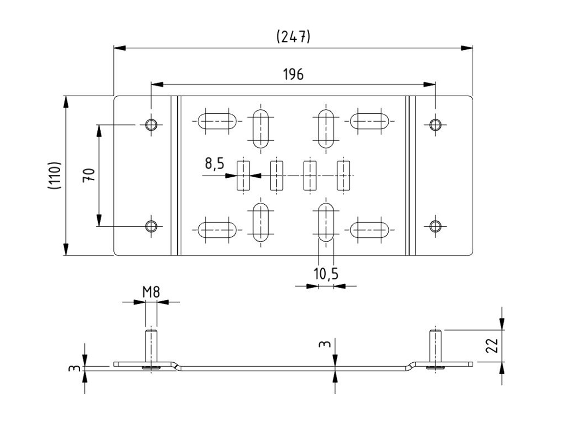
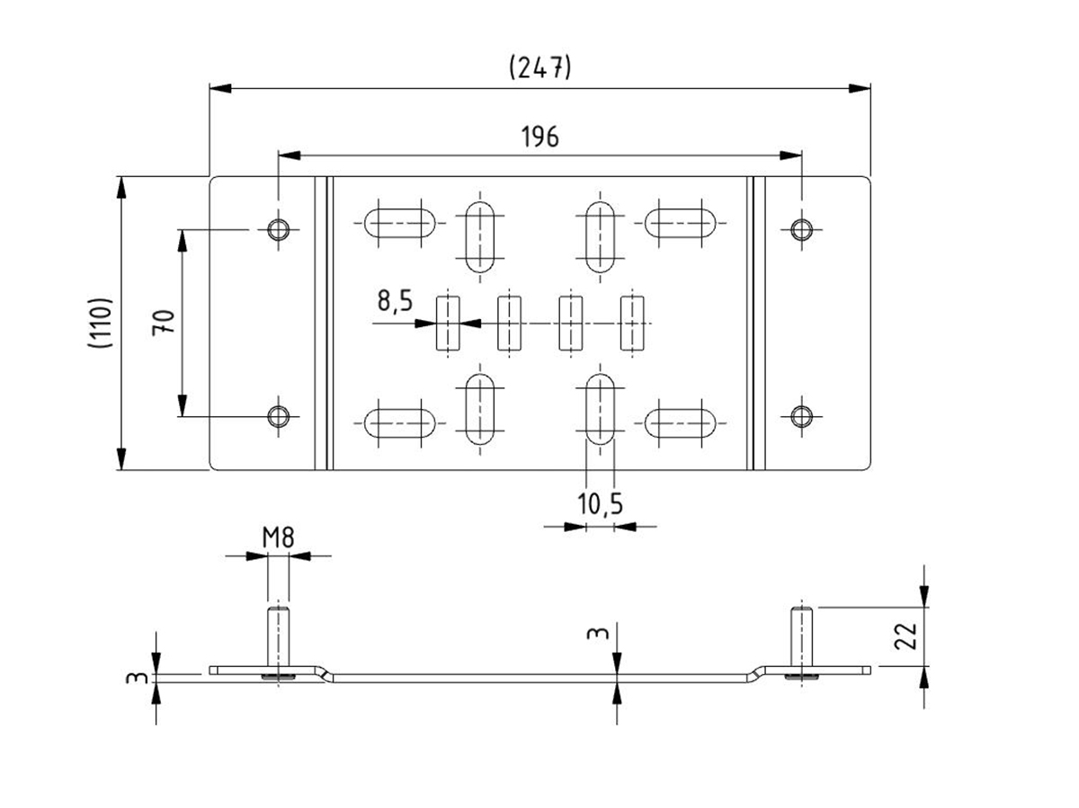
Bracket for spring break device

Unit
Piece
Box
20
Pallet
1120
Weight (kg)
0.62

Technical information

Thickness (mm)
2.5
Material
Zinc plated steel
HOME-R
HOME-F

Product description

Flat mounting plate for spring break devices 25651, 29950 & 29951. Spring break device to be mounted with M8 nuts. To be used for residential doors with 4-spring solution. 

Downloads

Technical information