Contatto

SOMMER Automazioni s.r.l

+39 0461 263 863 italia@sommer.eu

240041-R9016

240041-R9016

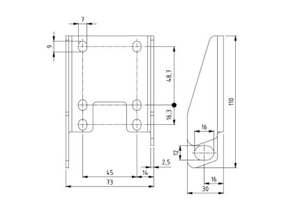
Reinforcement bottom bracket HOME-R HD offset=18mm white

Unità
Paio
Scatola
25
Pallet
1200
Peso (kg)
0,32

Informazioni tecniche

HOME-R
Residenziale
Materiale
Steel
Colore RAL
RAL9016

Descrizione del prodotto

In combination with bottom bracket 240033, this reinforced bracket enhances the strength and stability. Intended for HOME-R HD (165+ kg). For correct installation, screws with a minimum length of 25 mm and a roller with a long shaft are required.

Download

Informazioni tecniche