Contacto

DOCO SOMMER Ibérica S.L.U.

+34 9 3 861 28 25 pedidos@doco-international.com

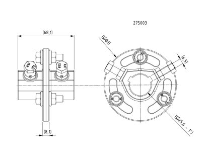
275003

275003

Acoplamiento ajustable 25,4 mm

Unidad
Pieza
Caja
20
Paleta
420
Peso (kg)
0,74

Información técnica

Material
Acero galvanizado
Industrial
Residencial
Longitud (mm)
None
Diámetro del eje ("/mm)
1" (25,4)
Chaveta
Material
Cast steel
Ajustable

Descripción del producto

Acoplamiento ajustable, 2 mitades incluyendo chavetero y tornillos de juego.
Conveniente para ejes de 25.4mm con chavetero. 
Aplicación: Residencial/industrial. 
Material: Acero fundido .

Descargas

Información técnica